WDB2020221A000656
Всех приветствую! Поделитесь схемкой.
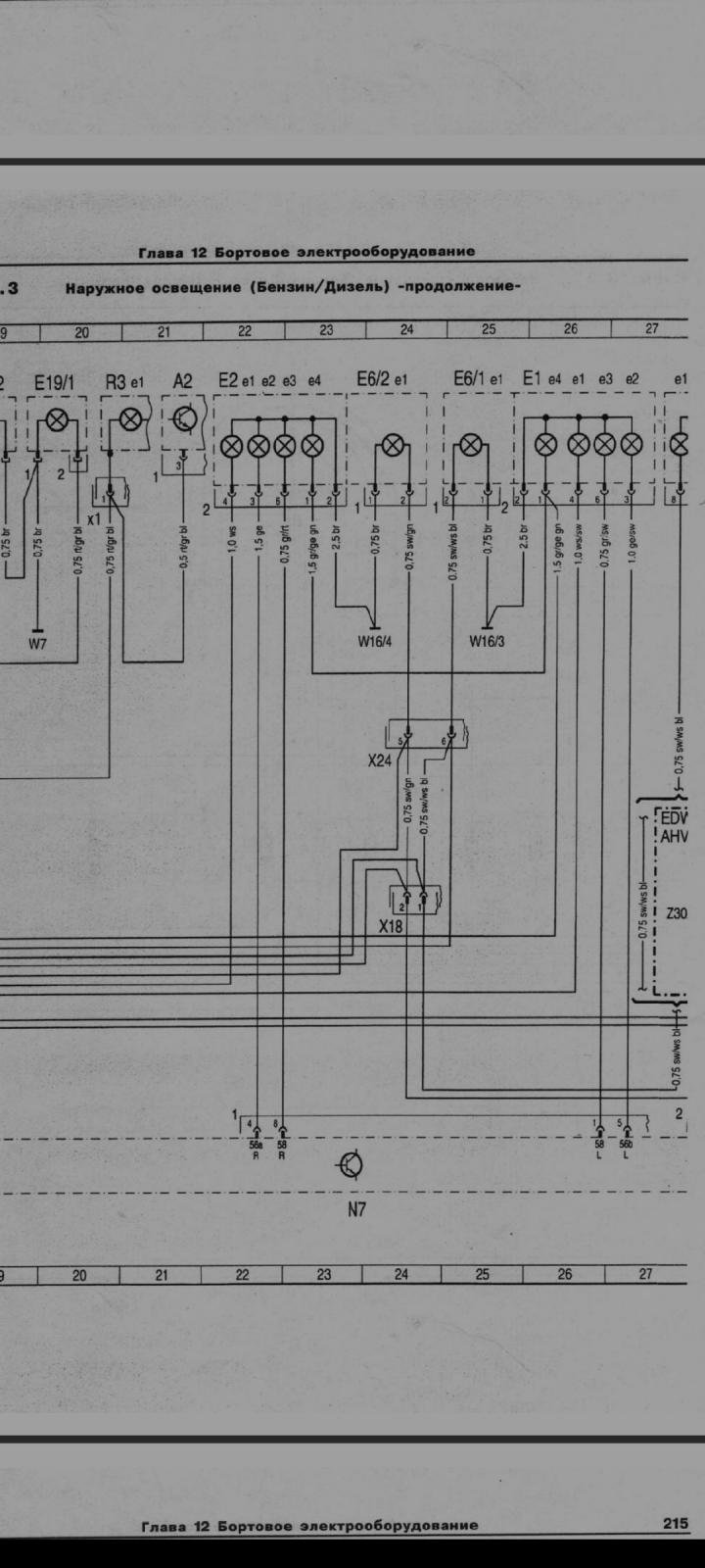
Не моргает передний правый поворот(задний правый моргает, левая сторона также работает).
---пытался разобраться без схемы, При повороте ключа в 3-е положение на правый передний поворот приходит постоянно напряжение 12В(это серый провод с красной полосой).А на зеленый с коричневой полосой должен идти минус(его нет)..не понятно
При включении аварийки также передний правый не моргает.
Сообщение отредактировал Zhanbolat: 26 November 2025 - 22:51





