Если кто имеет такой или подобный агрегат прошу помощи.
Важна любая информация: фото узлов, проводов, элсхемы подключения генератора, двигателя. Заранее благодарен. На просторах интернета ничего путного не нашёл. Или защита авторских прав слишком жесткая.  ((
((
Вкратце:
Притащили электрогенератор Mateus 4 GFE разукомплектованный (нет замка зажигания, провода наполовину отсоединены), попросили "оживить". Легко сказать, ещё проще сделать, особенно когда видишь сей агрегат китайского происхождения в первый раз. Так что выручайте.
 
	Электрогенератор Mateus 4 GFE
			
				
					
						
					
					#1
					 ОФФЛАЙН
					
				
				
				
	ОФФЛАЙН
  
					
				
			
				
			
			
			Отправлено 14 June 2014 - 19:49
W126 // 126.022 // 280 SE //110.989 // АКПП 722.307 // 1983 г.
			
				
					
						
					
					#2
					 ОФФЛАЙН
					
				
				
				
	ОФФЛАЙН
  
					
				
			
				
			
			
			Отправлено 16 June 2014 - 15:20
Ну ты хотя бы фото его подробные кинь сюда, где какие элементы его стоят, в каких местах не хватает проводов. мож по фото можно будет решить часть проблем.Если кто имеет такой или подобный агрегат прошу помощи.
Важна любая информация: фото узлов, проводов, элсхемы подключения генератора, двигателя. Заранее благодарен. На просторах интернета ничего путного не нашёл. Или защита авторских прав слишком жесткая.((
Вкратце:
Притащили электрогенератор Mateus 4 GFE разукомплектованный (нет замка зажигания, провода наполовину отсоединены), попросили "оживить". Легко сказать, ещё проще сделать, особенно когда видишь сей агрегат китайского происхождения в первый раз. Так что выручайте.
W124 T-MOD, 250 D, 602 мотор, 1992. - катаюсь во всю... 
W123 T-MOD, 2.3, K-Jet, 1982.
варим потихоньку
			
				
					
						
					
					#3
					 ОФФЛАЙН
					
				
				
				
	ОФФЛАЙН
  
					
				
			
				
			
			
			Отправлено 16 June 2014 - 18:06
Очень надеюсь. )))Ну ты хотя бы фото его подробные кинь сюда, где какие элементы его стоят, в каких местах не хватает проводов. мож по фото можно будет решить часть проблем.
Вот несколько фоток.
 
 
 
 
 
 
 
Замок зажигания достал. Продавец сказал, что «он родной» от матеуса. Придется верить на слово.
У замка 6 проводов, внутри три выключателя, имеет три положения:
Положение 0	 -  выключатель пары зеленый и синий провод (состояние короткозамкнутый)
		-  выключатель пары желтый и желтый с зеленой полоской провод (состояние короткозамкнутый)
		-  выключатель пары белый и черный провод (состояние разомкнутый)
Положение 1 -  выключатель пары зеленый и синий провод (состояние разомкнутый)
		-  выключатель пары желтый и желтый с зеленой полоской провод (состояние разомкнутый)
		-  выключатель пары белый и черный провод (состояние разомкнутый)
Положение 2 -  выключатель пары зеленый и синий провод (состояние разомкнутый)
		-  выключатель пары желтый и желтый с зеленой полоской провод (состояние разомкнутый)
		-  выключатель пары белый и черный провод (состояние короткозамкнутый), подпружиненный возвратной пружиной (включение стартера)
Смутило не соответствие цвета проводов в разъеме замка зажигания (как будто зеркальное) с цветом проводов основного кабеля. Что и было позже подтверждено при попытке соединить разъем, сработал стартер. Либо замок не родной, либо дальше провода попутаны.
Далее неизвестно назначение некоторых деталей их функция (обозначения нет).
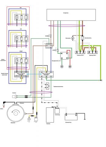
Нарисовал схемку 
Вопросиками обозначены "неизвестные" детали.
W126 // 126.022 // 280 SE //110.989 // АКПП 722.307 // 1983 г.
			
				
					
						
					
					#4
					 ОФФЛАЙН
					
				
				
				
	ОФФЛАЙН
  
					
				
			
				
			
			
			Отправлено 18 June 2014 - 20:23
А какие-нибудь надписи на детальках под вопросами имеются. Или сделай соответствие рисуночных деталюшек под вопросом с фотографиями.Очень надеюсь. )))
Вот несколько фоток.






Замок зажигания достал. Продавец сказал, что «он родной» от матеуса. Придется верить на слово.
У замка 6 проводов, внутри три выключателя, имеет три положения:
Положение 0 - выключатель пары зеленый и синий провод (состояние короткозамкнутый)
- выключатель пары желтый и желтый с зеленой полоской провод (состояние короткозамкнутый)
- выключатель пары белый и черный провод (состояние разомкнутый)
Положение 1 - выключатель пары зеленый и синий провод (состояние разомкнутый)
- выключатель пары желтый и желтый с зеленой полоской провод (состояние разомкнутый)
- выключатель пары белый и черный провод (состояние разомкнутый)
Положение 2 - выключатель пары зеленый и синий провод (состояние разомкнутый)
- выключатель пары желтый и желтый с зеленой полоской провод (состояние разомкнутый)
- выключатель пары белый и черный провод (состояние короткозамкнутый), подпружиненный возвратной пружиной (включение стартера)
Смутило не соответствие цвета проводов в разъеме замка зажигания (как будто зеркальное) с цветом проводов основного кабеля. Что и было позже подтверждено при попытке соединить разъем, сработал стартер. Либо замок не родной, либо дальше провода попутаны.
Далее неизвестно назначение некоторых деталей их функция (обозначения нет).
Нарисовал схемку
Вопросиками обозначены "неизвестные" детали.
Завтра постараюсь у ребят знакомых поузнавать, занимаются генераторами.
Сообщение отредактировал Электрик124: 18 June 2014 - 20:24
W124 T-MOD, 250 D, 602 мотор, 1992. - катаюсь во всю... 
W123 T-MOD, 2.3, K-Jet, 1982.
варим потихоньку
			
				
					
						
					
					#5
					 ОФФЛАЙН
					
				
				
				
	ОФФЛАЙН
  
					
				
			
				
			
			
			Отправлено 18 June 2014 - 21:44
Белый провод похоже должен идти к замку зажигания, снизу датчик детонации или датчик для отключения агрегата (при срабатынавании попадает на массу и нет искры), две коричнивые штучки неизвестно, увидеть бы на них надписи (внешне похожи на конденсаторы)
W124 200D 601.912 5МКПП
			
				
					
						
					
					#6
					 ОФФЛАЙН
					
				
				
				
	ОФФЛАЙН
  
					
				
			
				
			
			
			Отправлено 20 June 2014 - 18:54
Завтра попытаюсь сделать более качественные фотографии.
Надписей на деталях нет, только на двух коричневых пластинках частично виднеются надписи, надо срезать изоляцию.
W126 // 126.022 // 280 SE //110.989 // АКПП 722.307 // 1983 г.
			
				
					
						
					
					#7
					 ОФФЛАЙН
					
				
				
				
	ОФФЛАЙН
  
					
				
			
				
			
			
			Отправлено 21 June 2014 - 10:01
Много фоток не стал загружать, этих достаточно.
 
Это похоже узел блокировки запуска двигателя, зависит от уровня масла в картере двигателя.
 
Это деталь с маркировкой RF 16. Назначение мне неизвестно.
С остальным разобрался.
На разъеме замка зажигания переставил провода. 
Завел двигатель, опробовал работу генератора, нормально.
Только остались вопросы по назначению вышеупомянутых деталей.
Если кто поможет разобраться, буду очень признателен (это так, для общего развития).
W126 // 126.022 // 280 SE //110.989 // АКПП 722.307 // 1983 г.
			
				
					
						
					
					#8
					 ОФФЛАЙН
					
				
				
				
	ОФФЛАЙН
  
					
				
			
				
			
			
			Отправлено 21 June 2014 - 10:53
По фото на какой-то электронный кампанет похож этот RF 16.
W124 T-MOD, 250 D, 602 мотор, 1992. - катаюсь во всю... 
W123 T-MOD, 2.3, K-Jet, 1982.
варим потихоньку
Количество пользователей, читающих эту тему: 1
0 пользователей, 1 гостей, 0 анонимных



 
				
				
			 Мой гараж
 Мой гараж 
				
				
			



