Всем привет!
столкнулся с такой проблемой,
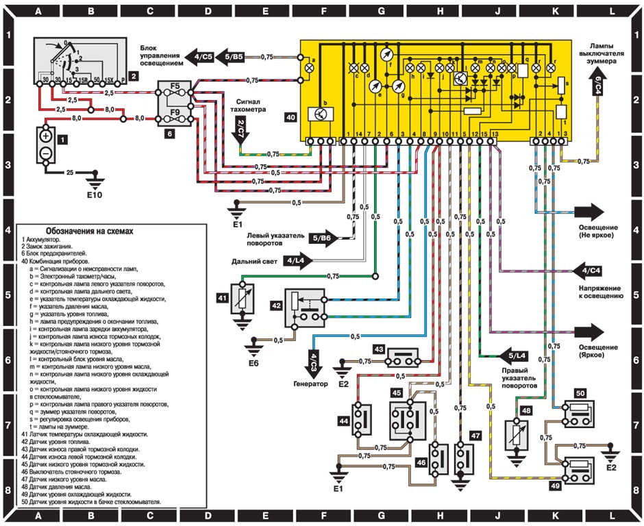
не горят контрольные лампы на приборной понеле, из-за чего может это быть?
уже не знаем где и копать и что смотреть!
может кто подскажет еще раз попорядку что посмотреть!?
Сообщение отредактировал karmanov: 14 January 2015 - 00:01



Мой гараж


